DB13W3 (13W3) is a particular style of D-subminiature connector commonly used as an analog video interface connector. DB13W3 connector contains 10 standard signal pins and 3 larger positions that can be fitted with either special pins with two concentric contacts for coaxial cable or with special high current pins. When used for video signals on the computer side, the pins are female but the coaxial connectors in the large positions are male. The coaxial connectors carry the video signal split into red, green/gray, and blue; the standard signal pins carry four grounds, three “sense” pins used to communicate with the monitor, vertical sync, horizontal sync, and a composite sync signal.

The 13W3 connector can be converted into a standard VGA connector using cables and adapters that are commonly available. This allows modern multisync monitors, which are common on today’s computers, to be used with these workstations as long as they are sync-on-green compatible.
Signalorigin produced combo D-subs with larger contacts in place of some of the normal contacts, for use for high-current, high-voltage, or co-axial inserts. The DB-13W3 variant was commonly used for high-performance video connections; this variant provided 10 regular (#20) pins plus three coaxial contacts for the red, green, and blue video signals. Some variants have current ratings up to 40 A or operating voltages as high as 13,500 V; others are waterproof and meet IP67 standards.
Specification of DB13w3 connector
| DB13w3 connector | ||
| Material | Insulator material | PBT thermoplastic, 30% Glasss filled, UL94V- O |
| Insulator color | Black/Blue (can be customized) | |
| High frequency contact | Copper alloy material, gold plated | |
| Connector with signal contact | Copper alloy, gold plated | |
| Fork | Copper alloy, Ni plated | |
| Shell Material | Steel/SPCC-SD, Nickel or tin plated | |
| Electrical | High frequency contact current rating | 50 or 75 ohm |
| The radio frequency range | 0~3Ghz | |
| Connector with signal contact current rating | 3 Amps | |
| The working voltage | 300V | |
| Contact resistance | 10 milliohms mas | |
| Mechanical | Dielectric Withstanding Voltage | 1000V AC rms at 1 minute |
| Insertion force | ¢1.0 :0.6~2 N /Pin ¢3.6:2~7 N /Pin | |
| Extraction force | ¢1.0:0.2 N /Pin MIN ¢3.6:0.5 N /Pin MIN | |
| Durability | 500 cycles | |
| Operating temperature | -55°C to +125°C | |
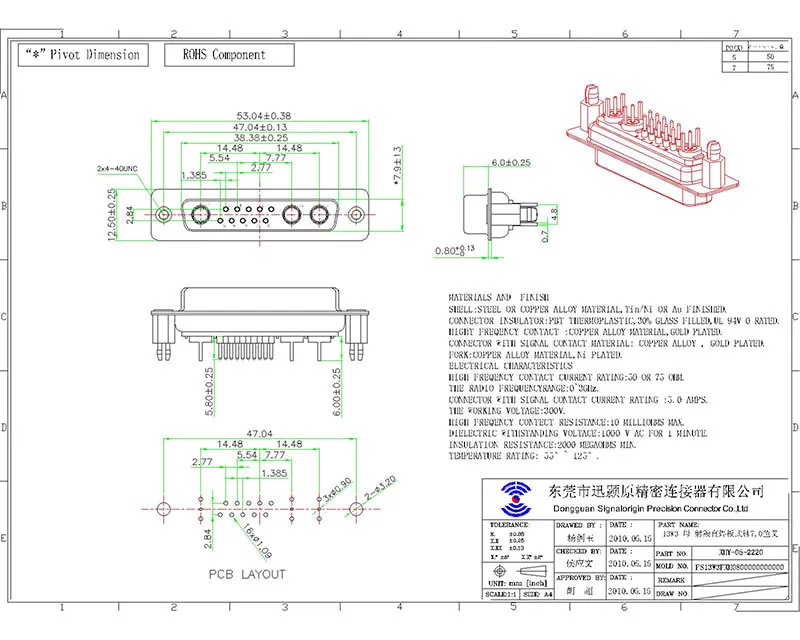
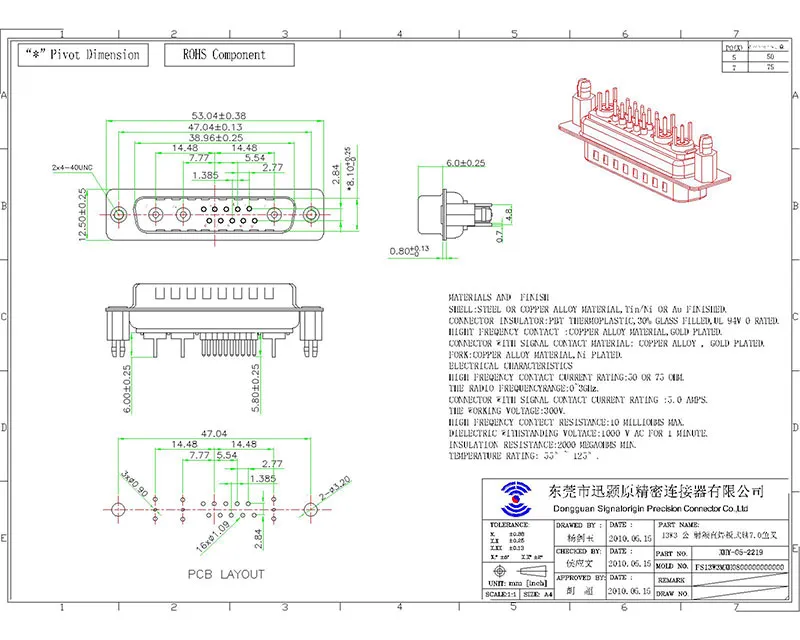
Drawing of DB13w3 connector

Female DB13w3 d-sub coaxial

Male 13w3 d-sub coaxial connector
You may also like What businesses does SIGNALORIGIN engage in?
If you’re interested in purchasing D-sub connectors, be sure to check out the wide range of standard and custom products from SIGNALORIGIN.
Learn more about our Electrical connector
Contact us
+86 13686443658 (Suwen Sun)
+86(769)-82385969
